| Product Information |
| AB Series |
| ABR Series |
| AF Series |
| AFR Series |
| AE Series |
| AER Series |
| AD Series |
| ADS Series |
| ADR Series |
| AL Series |
| ALR Series |
| AN Series |
| ANR Series |
| PE Series |
| PG Series |
| PN Series |
| PB Series |
| AT-L Series |
| AT-L1/R1 Series |
| AT-H Series |
| AT-C Series |
| AT-FL Series |
| AT-FL1/FR1 Series |
| AT-FH Series |
| AT-FC Series |
| AT-LM/RM Series |
| AT-4M Series |
| AM Series |
PSII Series |
PEII Series |
PAII Series |
PGII Series |
| Structure |
| Installation |
| |
|
| |
 |
|
|
New EU Carrier Patent |
| 1267095 |

|
1-stage( Ratio i = 1 ~ 5 ) |
|
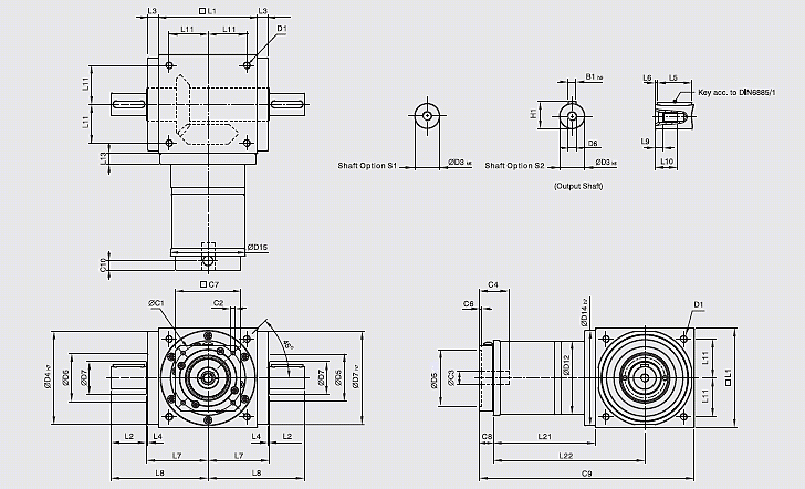
AT-C-S1
| |
AT065FL
|
AT075FL
|
AT090FL
|
AT110FL
|
AT140FL
|
AT170FL
|
AT210FL
|
AT240FL
|
AT280FL
|
| D1 |
M4 |
M6 |
M6 |
M8 |
M10 |
M12 |
M16 |
M16 |
M16 |
| D3 k6 |
13 |
16 |
18 |
22 |
32 |
40 |
50 |
55 |
60 |
| D4 h7 |
63 |
73 |
88 |
108 |
135 |
165 |
205 |
235 |
275 |
| D5 |
31 |
35 |
43 |
53 |
68 |
83 |
104 |
124 |
144 |
| D6 |
M4 |
M5 |
M5 |
M8 |
M12 |
M16 |
M16 |
M16 |
M20 |
| D7 |
21 |
22 |
28 |
33 |
47 |
55 |
75 |
85 |
110 |
| D12 |
62 |
72 |
86 |
106 |
104 |
128 |
160 |
180 |
200 |
| D14 h7 |
63 |
73 |
88 |
108 |
135 |
165 |
205 |
235 |
275 |
| D15 |
62.9 |
72.9 |
87 |
107 |
105 |
127 |
158 |
178 |
198 |
| L1 |
65 |
75 |
90 |
110 |
140 |
170 |
210 |
240 |
280 |
| L2 |
19.5 |
30 |
35 |
40 |
50 |
60 |
75 |
85 |
110 |
| L3 |
13 |
14.5 |
15 |
15 |
15 |
15 |
20 |
25 |
25 |
| L4 |
2 |
2 |
2 |
2 |
2 |
2 |
2 |
2 |
2 |
| L5 |
16 |
25 |
28 |
32 |
45 |
50 |
70 |
80 |
100 |
| L6 |
2 |
2.5 |
3.5 |
4 |
2.5 |
5 |
2.5 |
2.5 |
5 |
| L7 |
47.5 |
54 |
62 |
72 |
87 |
102 |
127 |
147 |
167 |
| L8 |
67 |
84 |
97 |
112 |
137 |
162 |
202 |
232 |
277 |
| L9 |
4.5 |
4.8 |
4.8 |
7.2 |
10 |
12 |
12 |
12 |
15 |
| L10 |
10 |
12.5 |
12.5 |
19 |
28 |
36 |
36 |
36 |
42 |
| L11 |
27 |
30 |
36 |
44 |
55 |
67 |
85 |
95 |
110 |
| L13 |
13 |
15 |
15 |
15 |
15 |
15 |
20 |
25 |
25 |
| L21 |
49 |
60.5 |
63 |
69.5 |
85.5 |
95 |
130 |
144.5 |
135 |
| L22 |
81.5 |
98 |
108 |
124.5 |
155.5 |
180 |
235 |
264.5 |
275 |
| C1 3 |
46 |
70 |
100 |
100 |
130 |
165 |
215 |
215 |
235 |
| C2 3 |
M4 |
M5 |
M6 |
M6 |
M8 |
M10 |
M12 |
M12 |
M12 |
| C3 3 |
≤11 / ≤12 |
≤14 / ≤15.875 / ≤16 |
≤19 |
≤24 |
≤32 |
≤38 |
≤42 |
≤48 |
≤55 |
| C4 3 |
30 |
34 |
40 |
40 |
50 |
60 |
85 |
85 |
116 |
| C5 3 |
30 |
50 |
80 |
80 |
110 |
130 |
180 |
180 |
200 |
| C6 3 |
3.5 |
8 |
4 |
4 |
5 |
6 |
6 |
6 |
6 |
| C7 3 |
42 |
60 |
90 |
90 |
115 |
142 |
190 |
190 |
220 |
| C8 3 |
19.5 |
19 |
17 |
17 |
19.5 |
22.5 |
29 |
29 |
63 |
| C9 3 |
133.5 |
154.5 |
170 |
196.5 |
245 |
287.5 |
369 |
413.5 |
478 |
| C10 3 |
13.25 |
13.5 |
10.75 |
10.75 |
13 |
15 |
20.75 |
20.75 |
53.5 |
| B1 h9 |
5 |
5 |
6 |
6 |
10 |
12 |
14 |
16 |
18 |
| H1 |
15 |
18 |
20.5 |
24.5 |
35 |
43 |
53.5 |
59 |
64 |
|
|
3. C1~C10 are motor specific dimensions (metric std shown).
|
2-stage( Ratio i = 7 ~ 50 )
|
|
AT-FL-S2
| |
AT065FL
|
AT075FL
|
AT090FL
|
AT110FL
|
AT140FL
|
AT170FL
|
AT210FL
|
AT240FL
|
AT280FL
|
| D1 |
M4 |
M6 |
M6 |
M8 |
M10 |
M12 |
M16 |
M16 |
M16 |
| D3 k6 |
13 |
16 |
18 |
22 |
32 |
40 |
50 |
55 |
60 |
| D4 h7 |
63 |
73 |
88 |
108 |
135 |
165 |
205 |
235 |
275 |
| D5 |
31 |
35 |
43 |
53 |
68 |
83 |
104 |
124 |
144 |
| D6 |
M4 |
M5 |
M5 |
M8 |
M12 |
M16 |
M16 |
M16 |
M20 |
| D7 |
21 |
22 |
28 |
33 |
47 |
55 |
75 |
85 |
110 |
| D12 |
62 |
72 |
86 |
106 |
104 |
128 |
160 |
180 |
200 |
| D14 h7 |
63 |
73 |
88 |
108 |
135 |
165 |
205 |
235 |
275 |
| D15 |
62.9 |
72.9 |
87 |
107 |
106 |
127 |
158 |
178 |
198 |
| L1 |
65 |
75 |
90 |
110 |
140 |
170 |
210 |
240 |
280 |
| L2 |
19.5 |
30 |
35 |
40 |
50 |
60 |
75 |
85 |
110 |
| L3 |
13 |
14.5 |
15 |
15 |
15 |
15 |
20 |
25 |
25 |
| L4 |
2 |
2 |
2 |
2 |
2 |
2 |
2 |
2 |
2 |
| L5 |
16 |
25 |
28 |
32 |
45 |
50 |
70 |
80 |
100 |
| L6 |
2 |
2.5 |
3.5 |
4 |
2.5 |
5 |
2.5 |
2.5 |
5 |
| L7 |
47.5 |
54 |
62 |
72 |
87 |
102 |
127 |
147 |
167 |
| L8 |
67 |
84 |
97 |
112 |
137 |
162 |
202 |
232 |
277 |
| L9 |
4.5 |
4.8 |
4.8 |
7.2 |
10 |
12 |
12 |
12 |
15 |
| L10 |
10 |
12.5 |
12.5 |
19 |
28 |
36 |
36 |
36 |
42 |
| L11 |
27 |
30 |
36 |
44 |
55 |
67 |
85 |
95 |
110 |
| L13 |
13 |
15 |
15 |
15 |
15 |
15 |
20 |
25 |
25 |
| L21 |
75 |
84.5 |
99 |
122 |
144.5 |
157.5 |
206.5 |
239 |
248 |
| L22 |
107.5 |
122 |
144 |
177 |
214.5 |
242.5 |
311.5 |
359 |
388 |
| C1 4 |
46 |
46 |
70 |
100 |
100 |
100 |
130 |
165 |
165 |
| C2 4 |
M4 |
M4 |
M5 |
M6 |
M6 |
M6 |
M8 |
M10 |
M10 |
| C3 4 |
≤12 |
≤12 |
≤16 |
≤24 |
≤24 |
≤24 |
≤32 |
≤38 |
≤38 |
| C4 4 |
30 |
30 |
34 |
40 |
40 |
40 |
50 |
60 |
60 |
| C5 4 |
30 |
30 |
50 |
80 |
80 |
80 |
110 |
130 |
130 |
| C6 4 |
3.5 |
3.5 |
8 |
4 |
4 |
4 |
5 |
6 |
6 |
| C7 4 |
42 |
42 |
60 |
92 |
92 |
92 |
115 |
142 |
142 |
| C8 4 |
21.5 |
21.5 |
21.5 |
20 |
20 |
20 |
24 |
31 |
31 |
| C9 4 |
161.5 |
181 |
210.5 |
252 |
304.5 |
347.5 |
440.5 |
510 |
559 |
| C10 4 |
14.5 |
14.5 |
15.5 |
13 |
13 |
13 |
16 |
21 |
21 |
| B1 h9 |
5 |
5 |
6 |
6 |
10 |
12 |
14 |
16 |
18 |
| H1 |
15 |
18 |
20.5 |
24.5 |
35 |
43 |
53.5 |
59 |
64 |
|
|
4. C1~C10 are motor specific dimensions (metric std shown).
|
| * AT065 FLM1 offers C3 <= 12 option |
| * AT075 FLM1 offers C3 <= 16 option |
| * AT075 FLM2 offers C3 <= 15.875 option |
3-stage( Ratio i = 75 ~ 500 )
|
|
AT-FL-S3
| |
AT110FL
|
AT140FL
|
AT170FL
|
AT210FL
|
AT240FL
|
AT280FL
|
| D1 |
M8 |
M10 |
M12 |
M16 |
M16 |
M16 |
| D3 k6 |
22 |
32 |
40 |
50 |
55 |
60 |
| D4 h7 |
108 |
135 |
165 |
205 |
235 |
275 |
| D5 |
53 |
68 |
83 |
104 |
124 |
144 |
| D6 |
M8 |
M12 |
M16 |
M16 |
M16 |
M20 |
| D7 |
33 |
47 |
55 |
75 |
85 |
110 |
| D12 |
106 |
104 |
128 |
160 |
180 |
200 |
| D14 h7 |
108 |
135 |
165 |
205 |
235 |
275 |
| D15 |
107 |
106 |
127 |
158 |
178 |
198 |
| L1 |
110 |
140 |
170 |
210 |
240 |
280 |
| L2 |
40 |
50 |
60 |
75 |
85 |
110 |
| L3 |
15 |
15 |
15 |
20 |
25 |
25 |
| L4 |
2 |
2 |
2 |
2 |
2 |
2 |
| L5 |
32 |
45 |
50 |
70 |
80 |
100 |
| L6 |
4 |
2.5 |
5 |
2.5 |
2.5 |
5 |
| L7 |
72 |
87 |
102 |
127 |
147 |
167 |
| L8 |
112 |
137 |
162 |
202 |
232 |
277 |
| L9 |
7.2 |
10 |
12 |
12 |
12 |
15 |
| L10 |
19 |
28 |
36 |
36 |
36 |
42 |
| L11 |
44 |
55 |
67 |
85 |
95 |
110 |
| L13 |
15 |
15 |
15 |
20 |
25 |
25 |
| L21 |
136.5 |
159.5 |
183.5 |
226 |
269 |
278 |
| L22 |
191.5 |
229.5 |
268.5 |
331 |
389 |
418 |
| C1 5 |
46 |
46 |
70 |
70 |
100 |
100 |
| C2 5 |
M4 |
M4 |
M5 |
M5 |
M6 |
M6 |
| C3 5 |
≤12 |
≤12 |
≤16 |
≤16 |
≤24 |
≤24 |
| C4 5 |
30 |
30 |
34 |
34 |
40 |
40 |
| C5 5 |
30 |
30 |
50 |
50 |
80 |
80 |
| C6 5 |
3.5 |
3.5 |
8 |
8 |
4 |
4 |
| C7 5 |
42 |
42 |
60 |
60 |
92 |
92 |
| C8 5 |
21.5 |
21.5 |
21.5 |
21.5 |
20 |
20 |
| C9 5 |
268 |
321 |
375 |
457.5 |
529 |
578 |
| C10 5 |
14.5 |
14.5 |
15.5 |
15.5 |
13 |
13 |
| B2 h9 |
6 |
10 |
12 |
14 |
16 |
18 |
| H1 |
24.5 |
35 |
43 |
53.5 |
59 |
64 |
|
|
5. C1~C10 are motor specific dimensions (metric std shown).
|
|
|
|