| Product Information |
| AB Series |
| ABR Series |
| AF Series |
| AFR Series |
| AE Series |
| AER Series |
| AD Series |
| ADS Series |
| ADR Series |
| AL Series |
| ALR Series |
| AN Series |
| ANR Series |
| PE Series |
| PG Series |
| PN Series |
| PB Series |
| AT-L Series |
| AT-L1/R1 Series |
| AT-H Series |
| AT-C Series |
| AT-FL Series |
| AT-FL1/FR1 Series |
| AT-FH Series |
| AT-FC Series |
| AT-LM/RM Series |
| AT-4M Series |
| AM Series |
PSII Series |
PEII Series |
PAII Series |
PGII Series |
| Structure |
| Installation |
| ¡@ |
¡@ |
| ¡@ |
 |
|
¡@ |
New EU Carrier Patent |
| 1267095 |

|
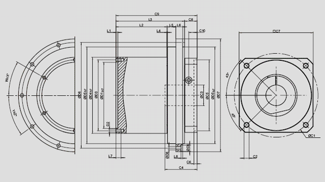
1-stage
, Ratio i =2 ~ 9 |
|
|
AB-S1
| |
AL070 |
AL095 |
AL110 |
AL150 |
AL190 |
AL230 |
AL280 |
| D1H7 |
37.5 |
55.5 |
70.5 |
102.5 |
132.5 |
168.5 |
204.5 |
| D2 |
M3 x 0.5P |
M3 x 0.5P |
M4 x 0.7P |
M5 x 0.8P |
M5 x 0.8P |
M6 x 1P |
M6 x 1P |
| D3
|
42 |
61.5 |
78.5 |
110 |
142.5 |
179 |
216 |
| D4h7 |
47.7 |
67.3 |
87.3 |
118.1 |
152.8 |
190 |
229.2 |
| D5h7 |
70 |
95 |
110 |
150 |
190 |
230 |
280 |
| D6 |
80 |
108 |
124 |
164 |
208 |
246 |
296 |
| D7 |
90 |
120 |
135 |
175 |
225 |
262 |
312 |
| D8 |
4.5 |
5.5 |
5.5 |
5.5 |
9 |
9 |
9 |
| D9 |
8 |
9.5 |
-- |
9.5 |
14 |
-- |
-- |
| L1 |
3 |
3 |
3 |
3 |
4 |
3 |
3 |
| L2 |
36 |
55.5 |
60.5 |
79 |
94 |
115 |
116 |
| L3 |
50.5 |
72 |
84 |
106.5 |
124.5 |
162 |
169 |
| L4 |
0.5 |
0.5 |
0.5 |
1 |
1 |
1.5 |
1.5 |
| L5 |
6 |
7 |
10 |
13 |
15 |
18 |
22 |
| L6 |
6 |
7 |
7.5 |
10.5 |
12 |
15 |
18 |
| L7 |
6 |
6 |
8 |
9 |
9 |
11 |
11 |
| L8 |
2.4 |
3.4 |
-- |
2.4 |
6.1 |
-- |
-- |
| C1
3 |
46 |
70 |
100 |
130 |
165 |
215 |
235 |
| C2
3 |
M4 X 0.7P |
M5 X 0.8P |
M6 X 1P |
M8 X 1.25P |
M10 X 1.5P |
M12 X 1.75P |
M12 X 1.75P |
| C3 3
|
≤11 |
*≤14 / ≤16 |
≤19 / ≤24 |
≤32 |
≤38 |
≤48 |
≤55 |
| C4 3
|
30 |
34 |
40 |
50 |
60 |
85 |
116 |
| C5
3 |
30 |
50 |
80 |
110 |
130 |
180 |
200 |
| C6 3
|
3.5 |
8 |
4 |
5 |
6 |
6 |
6 |
| C7
3 |
48 |
60 |
90 |
115 |
142 |
190 |
220 |
| C8 3
|
19.5 |
19 |
17 |
19.5 |
22.5 |
29 |
63 |
| C9
3 |
70 |
91 |
101 |
126 |
147 |
191 |
232 |
| C10
3 |
13.25 |
13.5 |
10.75 |
13 |
15 |
20.75 |
53.5 |
| W |
6 |
8 |
8 |
8 |
12 |
12 |
12 |
| X |
60 |
45 |
45 |
45 |
30 |
30 |
30 |
| Y |
6 |
10 |
10 |
10 |
10 |
10 |
12 |
| Z |
60 |
36 |
36 |
36 |
36 |
36 |
30 |
|
|
| 3. C1~C10 are motor specific
dimensions (metric std shown).
* AL095M1 ratio 4,9 offers C3 ≤16 option.
* AL110M1 offers C3 ≤24 option. |
2-stage
, Ratio i = 10 ~ 90 |
|
 |
AB-S1
| |
AL070 |
AL095 |
AL110 |
AL150 |
AL190 |
AL230 |
AL280 |
| D1H7 |
37.5 |
55.5 |
70.5 |
102.5 |
132.5 |
168.5 |
204.5 |
| D2 |
M3 x 0.5P |
M3 x 0.5P |
M4 x 0.7P |
M5 x 0.8P |
M5 x 0.8P |
M6 x 1P |
M6 x 1P |
| D3
|
42 |
61.5 |
78.5 |
110 |
142.5 |
179 |
216 |
| D4h7 |
47.7 |
67.3 |
87.3 |
118.1 |
152.8 |
190 |
229.2 |
| D5h7 |
70 |
95 |
110 |
150 |
190 |
230 |
280 |
| D6 |
80 |
108 |
124 |
164 |
208 |
246 |
296 |
| D7 |
90 |
120 |
135 |
175 |
225 |
262 |
312 |
| D8 |
4.5 |
5.5 |
5.5 |
5.5 |
9 |
9 |
9 |
| D10H7 |
70 |
62 |
82 |
116 |
145 |
178 |
224 |
| L1 |
3 |
3 |
3 |
3 |
4 |
3 |
3 |
| L2 |
36 |
55.5 |
60.5 |
79 |
94 |
115 |
116 |
| L3 |
78.5 |
97.5 |
116.5 |
148 |
181 |
219.5 |
253.5 |
| L4 |
0.5 |
0.5 |
0.5 |
1 |
1 |
1.5 |
1.5 |
| L5 |
6 |
7 |
10 |
13 |
15 |
18 |
22 |
| L6 |
6 |
7 |
7.5 |
10.5 |
12 |
15 |
18 |
| L7 |
6 |
6 |
8 |
9 |
9 |
11 |
11 |
| L9 |
2 |
8 |
12 |
14 |
18 |
22 |
26.5 |
| C1
3 |
46 |
46 |
70 |
100 |
130 |
165 |
215 |
| C2
3 |
M4 X 0.7P |
M4 X 0.7P |
M5 X 0.8P |
M6 X 1P |
M8 X 1.25P |
M10 X 1.5P |
M12 X 1.75P |
| C3 3
|
≤11 |
*≤11
/ ≤12 |
*≤14 /≤15.875 ≤16 |
≤19 / ≤24 |
≤32 |
≤38 |
≤48 |
| C4 3
|
30 |
30 |
34 |
40 |
50 |
60 |
85 |
| C5
3 |
30 |
30 |
50 |
80 |
110 |
130 |
180 |
| C6 3
|
3.5 |
3..5 |
8 |
4 |
5 |
6 |
6 |
| C7
3 |
48 |
48 |
60 |
90 |
115 |
142 |
190 |
| C8 3
|
19.5 |
19.5 |
19 |
17 |
19.5 |
22.5 |
29 |
| C9
3 |
98 |
117 |
135.5 |
165 |
200.5 |
242 |
282.5 |
| C10
3 |
13.25 |
13.25 |
13.5 |
10.75 |
13 |
15 |
20.75 |
| W |
6 |
8 |
8 |
8 |
12 |
12 |
12 |
| X |
60 |
45 |
45 |
45 |
30 |
30 |
30 |
| Y |
6 |
10 |
10 |
10 |
10 |
10 |
12 |
| Z |
60 |
36 |
36 |
36 |
36 |
36 |
30 |
|
|
|
4. C1~C10 are motor specific
dimensions (metric std shown).
* AL095M1 ratio 10~45 offers C3 ≤12 option.
* AL110M1 ratio 10~45 offers C3 ≤16 option.
* AL110M2 ratio 10~45 offers C3 ≤15.875 option.
* AL150M1 offers C3 ≤24 option. |
|
Top
|
|
|
|